search


  Devi acquistarne molti?

Chiedi un preventivo per alte quantità.

  Politiche per le spedizioni

Clicca qui per ricevere informazioni sulle consegne.

 

Ricevi Assistenza e informazioni tramite Whatsapp.

€27.60
Tax included
qty
Out-of-Stock

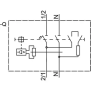
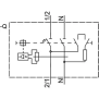
322187

Specific References

EAN13
4001869557229
MPN
5SV13131KK13

Review

16 other product