Live Settings

Theme Color

Box Layout

Mode

Favourite Color
Main Color
Reset
search


  Devi acquistarne molti?

Chiedi un preventivo per alte quantità.

  Politiche per le spedizioni

Clicca qui per ricevere informazioni sulle consegne.

 

Ricevi Assistenza e informazioni tramite Whatsapp.

€70.84
Tax included
qty
Out-of-Stock

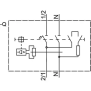
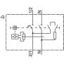
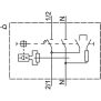
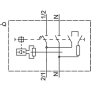
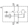
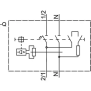
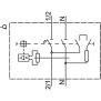
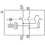
322216

Specific References

EAN13
4001869557878
MPN
5SV13167KK10

Review

16 other product