search


  Devi acquistarne molti?

Chiedi un preventivo per alte quantità.

  Politiche per le spedizioni

Clicca qui per ricevere informazioni sulle consegne.

 

Ricevi Assistenza e informazioni tramite Whatsapp.

€70.84
Tax included
qty
Out-of-Stock

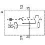
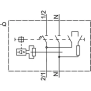
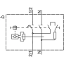
322218

Specific References

EAN13
4001869557892
MPN
5SV13167KK16

Review

16 other product