Live Settings

Theme Color

Box Layout

Mode

Favourite Color
Main Color
Reset


  Devi acquistarne molti?

Chiedi un preventivo per alte quantità.

  Politiche per le spedizioni

Clicca qui per ricevere informazioni sulle consegne.

 

Ricevi Assistenza e informazioni tramite Whatsapp.

€178.06
Tax included
qty

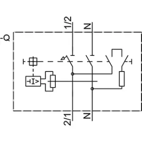
322085

Specific References

EAN13
4001869307909
MPN
5SU14541KK10

Review

16 other product